MV Agusta Forum France  
MV Agusta 80 ans

Précédent   MV Agusta Forum France > MV Agusta > Modèles de collection et histoire de la marque

Réponse
 
Outils de la discussion Modes d'affichage
Vieux 02/08/2019, 10h00   #1
Xav
Rang 5 - Phil Read
 
Avatar de Xav
 
 
Date d'inscription: mai 2012
Localisation: Picardie
Messages: 527

Par défaut

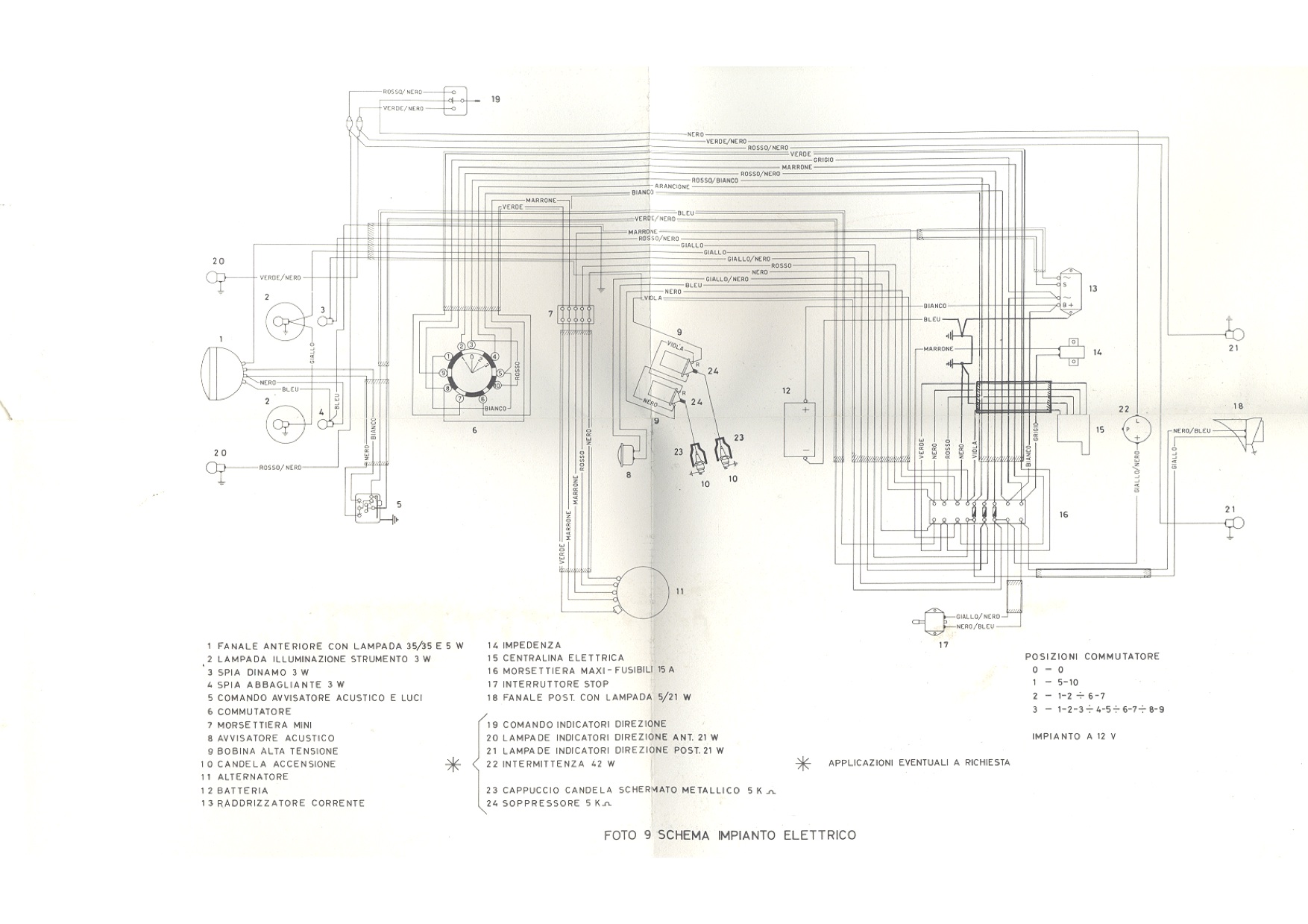
J'ai ces 2 schémas qui sont un poil plus nets que celui du document Suisse

Avec les 2, normalement tu devrais t'en sortir … (le second schéma est pour une BE de 1975)
Miniatures attachées
Cliquez sur l'image pour la voir en taille réelle

Nom : schéma électrique MV350BE.jpg
Affichages : 987
Taille : 135,1 Ko
ID : 5952  Cliquez sur l'image pour la voir en taille réelle

Nom : schéma électrique _ MV 350Elettronica 1975.jpg
Affichages : 923
Taille : 347,3 Ko
ID : 5953  

Dernière modification par Xav ; 02/08/2019 à 10h04.
Xav est déconnecté   Réponse avec citation
Vieux 02/08/2019, 14h42   #2
zouzou46
Rang 6 - Gary Hocking
 
Avatar de zouzou46
 
 
Date d'inscription: mars 2019
Messages: 111

Par défaut

Merci beaucoup Xav, je vais essayer de me repérer avec ça et voir lequel correspond le mieux à ma MV.
zouzou46 est déconnecté   Réponse avec citation
Vieux 02/08/2019, 17h24   #3
Xav
Rang 5 - Phil Read
 
Avatar de Xav
 
 
Date d'inscription: mai 2012
Localisation: Picardie
Messages: 527

Par défaut

Normalement, comme ta MV est de 72 et en 12 V, je pense que le premier schéma est le bon.
Xav est déconnecté   Réponse avec citation
Réponse

Tags
1972, 350, elettronica, elletronica, mv, remise, route, turismo


Règles de messages
Vous ne pouvez pas créer de nouvelles discussions
Vous ne pouvez pas envoyer des réponses
Vous ne pouvez pas envoyer des pièces jointes
Vous ne pouvez pas modifier vos messages

Les balises BB sont activées : oui
Les smileys sont activés : oui
La balise [IMG] est activée : oui
Le code HTML peut être employé : non
Navigation rapide


Fuseau horaire GMT +2. Il est actuellement 09h03.


MV Agusta est une marque déposée par MV Agusta SPA. MV Agusta Forum France est le forum du club de France, association loi 1901 affiliée à MV Agusta SPA.

Édité par : vBulletin® version 3.7.1
Copyright ©2000 - 2025, Jelsoft Enterprises Ltd. Tous droits réservés.
Version française #16 par l'association vBulletin francophone
Template by Rishabh